HG/T 4298一2018多孔搪玻璃片式冷凝器器蓋型式圖和基本參數表
發布時間:2021-01-28 17:40:00
HG/T 4298一2018 多孔搪玻璃片式冷凝器
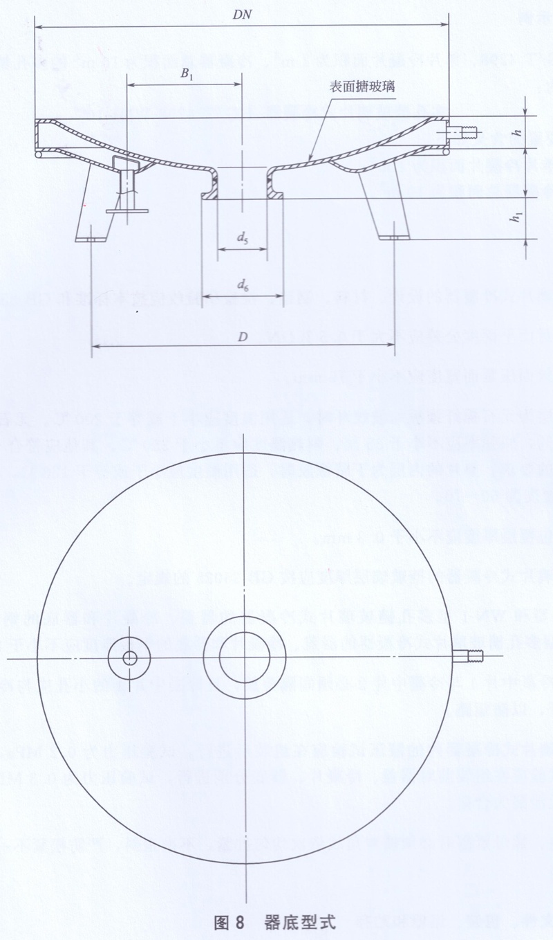
4.3.4 多孔搪玻璃片式冷凝器器蓋型式見圖4,冷凝中片1型式見圖5、圖6,冷凝中片2型式見圖7,多孔搪玻璃片式冷凝器器底型式見圖8。多孔搪玻璃片式冷凝器器蓋、冷凝中片1、冷凝中片2以及多孔搪玻璃片式冷凝器器底基本參數見表7。




當前位置: